Cellulose products have countless forms and shapes, not even to speak of modified cellulose. Today we want to talk about microcrystalline cellulose: MCC is produced by removing most amorphous parts of the cellulose molecular structure. The remaining parts create a fascinating material. More specifically, we want to show you a very distinct form and one of the specialties of JRS.
In our first blog entry of 2022 we already talked about the aggregation problem with very fine microcrystalline cellulose. To make very fine MCC available to different industries, first solutions consisted of MCC delivered as aqueous suspensions or gels, similar to most nanocellulose products now on the market.
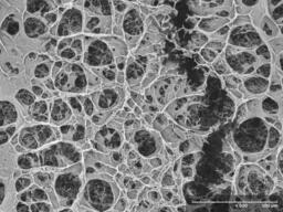
However, it was soon obvious that shipping water does not lead to a commercially feasible product. Therefore, we developed our microcrystalline cellulose gels. In contrast to the name, these products are shipped in dry form. This is possible due to a unique co-process, in which a bio-based spacer molecule is incorporated between the MCC-particles. In the resulting system, 80-90% is still MCC and therefore the character is mainly insoluble. Nonetheless, MCG powder can be activated in water by shear energy. This activation process is, when the water-soluble spacer creates room for water in between the MCC fibers and supports their even dispersion, which gives rise to the build-up of a three-dimensional fiber network at the dimensional border between micro and nano scale.


After activation, MCG can introduce a complex variety of possible parameters, which vary from thixotropy, system stabilization with or without viscosity increase, spray ability, water retention, synergy with other rheology additives, pore creation in ceramics and more. Furthermore, MCGs are thermostable and applicable in the pH range 3-12.
Their robustness, high quality and versatile properties make the MCGs already established products for the food and pharma industries, be it for stabilizing cacao particles in drinks or APIs in nasal sprays. However, that is by far not all. The potential of MCGs in technical applications is only about to unfold. We have seen use cases for functional paper coatings, where MCGs can smoothen the surfaces and enhance barrier properties. MCGs in construction paints are already well known and for developing sustainable formulations in the vast world of adhesives, the cellulose gels gain more and more attention.
Wheat fiber gels are based on the same principles like MCGs, but exhibit subtle differences when it comes to technical performance. Also consisting of an insoluble wheat cellulose fiber and a soluble bio based spacer, the activation in water leads to less colloidal distributed particles but to a more fibrillated, slightly coarser structure.
What is suited for your formulation and final application should be discussed with our experts. Hence, we invite you as always to go ahead and ask your questions!